График работы: 29-го декабря с 9:00 до 17:00, 30-го декабря с 9:00 до 15:00.
С 31 декабря 2025 по 11 января 2026 выходные дни.
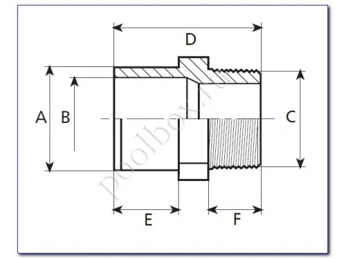
Ниппель д. 63/75-2" Coraplax (7308063)
- 234 р.
-
Подсоединение
Краткие характеристики
Ниппель Coraplax изготовлен из клеевого ПВХ (поливинилхлорид) и используется для обвязки систем оборудования для бассейна. Ниппель Coraplax применяется для изготовления соединения между трубой ПВХ и внетренней резьбой соответствующего диаметра.
Трубы и фитинги ПВХ используются для обвязки всех систем оборудования для бассейна. Изготовлены трубы и фитинги ПВХ из высококачественного непластифицированного поливинилхлорида и предназначены для транспортирования воды бассейна – система фильтрации воды в бассейне, водопад, гидромасса и др., а так же в некоторых случаях воздуха – гейзер (аэромассаж).
Благодаря низкой стоимость и простоте в монтаже, трубы и фитинги ПВХ хорошо себя зарекомендовали как основной способ для обвязки систем оборудования для бассейна.
Трубы и фитинги ПВХ имеют низкую теплопроводность (0,2 Вт/м °С).
Максимальная температура, при которой рекомендуется использование труб и фитингов ПВХ составляет 69 °С.
Не рекомендуется использование труб и фитингов ПВХ для транспортировки ароматических углеводородов, органических растворителей, эфиров, а так же концентрированных кислот.
При длительном воздействии ультрафиолета на трубы и фитинги ПВХ снижается ударная прочность материала, в связи с тем при невозможности препятствования рекомендуется окрашивание изделий.
Перед склеиванием труб и фитингов ПВХ рекомендуется обезжиривание склеиваемых поверхностей при помощи специального обезжиривателя.
Для качественного склеивания труб и фитингов ПВХ рекомендуется использование специального клея для клеевого ПВХ.
В процессе склеивания происходит сополимеризация клея и поливинилхлорида с образованием однородного соединения. Нанесение клея производится на оба изделия, после чего незамедлительно соединяются две части. Схватывание происходит в течение 10 минут. Так же рекомендуется снятие излишков клея салфеткой.
Для полного застывания клея необходимо подождать несколько часов.
Основные характеристики
Заявка на поставку товара осуществляется путем оформления заказа на сайте (нажать кнопку «в корзину» или «быстрый заказ», перейти в корзину покупок и оформить заказ), либо отправив заявку на нашу электронную почту info@poolbox.ru
Передача товара в транспортную компанию производится только после оплаты 100% стоимости товара. При доставке товара курьером по Москве и Московской области, если стоимость заказа составляет более 50 000 руб., требуется предоплата (наличными в офисе, банковской картой (интернет-эквайринг) или перечислением на расчетный счет) в размере не менее 30% от общей стоимости заказа. Условия и порядок возврата (обмена) товара регламентируется в соответствии с законом «О защите прав потребителей» ст. 18-24, 26.1. Покупатель вправе отказаться от товара в любое время до его передачи, а после передачи товара – в течение семи дней. (ст. 26.1 п.4) Возврат товара надлежащего качества возможен, если сохранен его товарный вид, потребительские свойства. Возврат товара ненадлежащего качества осуществляется в соответствии с законом ст.18-24. (ст.26.1 п.5)
Оплата осуществляется одним из следующих способов:
- наличными средствами – в офисе или при доставке товара курьером по Москве и Московской области
- картой VISA, MasterCard или МИР – в офисе
- по Системе Быстрых Платежей (СБП) – на указанную Вами электронную почту и/или на Whats App придет ссылка для перехода на страницу нашего банка (АО «Альфа-банк») для последующей оплаты заказа через СБП
- перечислением на расчетный счет – на указанную Вами электронную почту будет выставлен счет на оплату (УСН, НДС не выделяется)
Самовывоз товара производится по адресу г. Москва, г. Московский, ул. Радужная, д. 21 (Киевское ш., 7 км. от МКАД), с понедельника по пятницу с 9:00 до 18:00.
Перед приездом необходимо уточнять готовность заказа к отгрузке.
Доставка товара по Москве и Московской области осуществляется в срок до 5 рабочих дней после оформления заказа на сайте и согласования деталей с менеджером, при условии наличия товара на складе. Точные дата и время доставки (интервал не менее 5 часов) уточняется в соответствии с пожеланиями покупателя. Минимальная сумма заказа для доставки курьером по Москве и Московской области составляет 5 000 руб.
Стоимость доставки по Москве и Московской области (при наличии товара на московском складе):
- В пределах МКАД стоимость доставки составляет 1 000 руб.
- На насcтояние до 30 км. от МКАД стоимость доставки составляет 2 000 руб.
- На расстояние более чем 30 км. от МКАД стоимость доставки составляет 3 000 руб.
Доставка товара производится до подъезда или входа на участок покупателя. Подъем на этаж оговаривается и оплачивается отдельно.
Стоимость доставки крупногабаритного товара и товаров, которые изготавливаются индивидуально под заказ оговаривается отдельно.
Доставка товара в регионы осуществляется при помощи транспортной компании на выбор покупателя:
Либо при помощи другой транспортной компании по желанию покупателя, но при условии, что терминал данной компании находится в пределах МКАД.
Стоимость доставки товара до терминала транспортной компании в г. Москве в пределах МКАД и составляет 700 руб. Плательщиком за услуги транспортной компании (межтерминальная перевозка, дополнительная упаковка, страхование груза, доставка по городу и др.) является покупатель. По умолчанию все грузы отправляются в жесткой упаковке.
