Насос (38 м3/ч, 1.5 кВт/ч, 380В) PSH DN-14 (1DN30200E4V)
- 192 235 р.
-
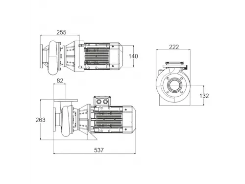
Краткие характеристики
Насос PSH DN-14 (1DN30200E4V) является одноступенчатым насосом, с расположением вала горизонтально и рабочим колесом одностороннего хода.
Для нормальной работы насоса PSH DN-14 (1DN30200E4V) он всегда должен быть наполнен водой. В противном случае возможен выход насоса из строя. При работе насоса более чем 10 секунд без воды может привести к перегреву сальника с последующим разрушением, деформации крышки задней фланца насоса и как следствие чего течь воды из корпуса насоса.
Так же для нормальной работы насоса PSH DN-14 (1DN30200E4V) влажность воздуха в помещении должна быть не более 60% и температура воздуха – от +10 до +35 градусов цельсия.
Рекомендуется устанавливать насос PSH DN-14 (1DN30200E4V) на постамент высотой не менее 100 мм. во избежание его затопления при аварийных ситуациях.
Насос PSH DN-14 (1DN30200E4V) не должен нарабатывать 12 часов в сутки суммарно, и непрерывная работа насоса должна быть не более 5 часов подряд.
Основные характеристики
Заявка на поставку товара осуществляется путем оформления заказа на сайте (нажать кнопку «в корзину» или «быстрый заказ», перейти в корзину покупок и оформить заказ), либо отправив заявку на нашу электронную почту info@poolbox.ru
Передача товара в транспортную компанию производится только после оплаты 100% стоимости товара. При доставке товара курьером по Москве и Московской области, если стоимость заказа составляет более 50 000 руб., требуется предоплата (наличными в офисе, банковской картой (интернет-эквайринг) или перечислением на расчетный счет) в размере не менее 30% от общей стоимости заказа. Условия и порядок возврата (обмена) товара регламентируется в соответствии с законом «О защите прав потребителей» ст. 18-24, 26.1. Покупатель вправе отказаться от товара в любое время до его передачи, а после передачи товара – в течение семи дней. (ст. 26.1 п.4) Возврат товара надлежащего качества возможен, если сохранен его товарный вид, потребительские свойства. Возврат товара ненадлежащего качества осуществляется в соответствии с законом ст.18-24. (ст.26.1 п.5)
Оплата осуществляется одним из следующих способов:
- наличными средствами – в офисе или при доставке товара курьером по Москве и Московской области
- картой VISA, MasterCard или МИР – в офисе
- по Системе Быстрых Платежей (СБП) – на указанную Вами электронную почту и/или на Whats App придет ссылка для перехода на страницу нашего банка (АО «Альфа-банк») для последующей оплаты заказа через СБП
- перечислением на расчетный счет – на указанную Вами электронную почту будет выставлен счет на оплату (УСН, НДС не выделяется)
Самовывоз товара производится по адресу г. Москва, г. Московский, ул. Радужная, д. 21 (Киевское ш., 7 км. от МКАД), с понедельника по пятницу с 9:00 до 18:00.
Перед приездом необходимо уточнять готовность заказа к отгрузке.
Доставка товара по Москве и Московской области осуществляется в срок до 5 рабочих дней после оформления заказа на сайте и согласования деталей с менеджером, при условии наличия товара на складе. Точные дата и время доставки (интервал не менее 5 часов) уточняется в соответствии с пожеланиями покупателя. Минимальная сумма заказа для доставки курьером по Москве и Московской области составляет 5 000 руб.
Стоимость доставки по Москве и Московской области (при наличии товара на московском складе):
- В пределах МКАД стоимость доставки составляет 1 000 руб.
- На насcтояние до 30 км. от МКАД стоимость доставки составляет 2 000 руб.
- На расстояние более чем 30 км. от МКАД стоимость доставки составляет 3 000 руб.
Доставка товара производится до подъезда или входа на участок покупателя. Подъем на этаж оговаривается и оплачивается отдельно.
Стоимость доставки крупногабаритного товара и товаров, которые изготавливаются индивидуально под заказ оговаривается отдельно.
Доставка товара в регионы осуществляется при помощи транспортной компании на выбор покупателя:
Либо при помощи другой транспортной компании по желанию покупателя, но при условии, что терминал данной компании находится в пределах МКАД.
Стоимость доставки товара до терминала транспортной компании в г. Москве в пределах МКАД и составляет 700 руб. Плательщиком за услуги транспортной компании (межтерминальная перевозка, дополнительная упаковка, страхование груза, доставка по городу и др.) является покупатель. По умолчанию все грузы отправляются в жесткой упаковке.
