Противоток Fitstar Taifun 7620020 (63 м3/ч., 380В, 3.4 кВт)
- 340 976 р.
-
Краткие характеристики
Противоток Fitstar Taifun 7620020 (63 м3/ч., 380В, 3.4 кВт)
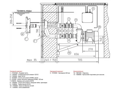
Закладной короб (240 мм или 150 мм), фланцевый комплект под плёнку, поручень и кронштейн насоса приобретаются отдельно.
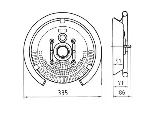
Противоток Fitstar Taifun 7620020 представляет собой устройство, при помощи которого есть возможность даже в сравнительно не большом бассейна продолжительно и эффективно плавать. Состоит противоток Fitstar Taifun 7620020 из нескольких частей, а именно: закладная часть, насос противотока и электропакет. Лицевая часть часть противотока Fitstar Taifun 7620020 изготовлена из нержавеющей стали и непосредственно устанавливается в борт бассейна. Состоит закладная часть противотока Fitstar Taifun 7620020 из одной форсунки, пневматической клавиши для включения и выключения, а так же регулятора доступа. При помощи регулятора доступа воздуха есть возможность выбирать режим работы противотока с воздухом или без воздуха. Часто противоток Fitstar Taifun 7620020 используется как устройство гидромассажа. В техническом помещении, либо с обратной стороны борта бассейна (для уменьшения потерь мощности) устанавливается насос противотока. Управление работой противотока производится при помощи электропакета от которого прокладывается капиллярная трубка до пневмокнопки, расположенной непосредственно в корпусе противоток.
Основные характеристики и особенности противотока Fitstar Taifun 7620020 :
- Производительность: 63 м³/час
- Монтаж: под бетон
- Насос: HL 3.4 кВт
- Питание: 380В
- Объем подачи воды: 1050 л/мин
- Электрические х-ки: 3.4 кВт, 5.8А, 380В, 50 Гц
- Рабочее давление: 1 бар
- Защита: IP65
- Класс изоляции: F
- Материал панели: нерж. сталь AISI-316L
- Материал насоса: пушечная бронза
- Диаметр форсунки: 40 мм
- Сопло: одинарное
- Соединение: 2 1/2"
Комплектация противотока Fitstar Taifun 7620020 :
- Круглая лицевая панель из нержавеющей стали (87307020): в сборе
- Насос Hugo Lahme LME (7754050): 26/2"
- Щит управления (7336550): с пьезокнопкой
- Обвязка противотока (7610550): комплект
- Руководство
Основные характеристики
Заявка на поставку товара осуществляется путем оформления заказа на сайте (нажать кнопку «в корзину» или «быстрый заказ», перейти в корзину покупок и оформить заказ), либо отправив заявку на нашу электронную почту info@poolbox.ru
Передача товара в транспортную компанию производится только после оплаты 100% стоимости товара. При доставке товара курьером по Москве и Московской области, если стоимость заказа составляет более 50 000 руб., требуется предоплата (наличными в офисе, банковской картой (интернет-эквайринг) или перечислением на расчетный счет) в размере не менее 30% от общей стоимости заказа. Условия и порядок возврата (обмена) товара регламентируется в соответствии с законом «О защите прав потребителей» ст. 18-24, 26.1. Покупатель вправе отказаться от товара в любое время до его передачи, а после передачи товара – в течение семи дней. (ст. 26.1 п.4) Возврат товара надлежащего качества возможен, если сохранен его товарный вид, потребительские свойства. Возврат товара ненадлежащего качества осуществляется в соответствии с законом ст.18-24. (ст.26.1 п.5)
Оплата осуществляется одним из следующих способов:
- наличными средствами – в офисе или при доставке товара курьером по Москве и Московской области
- картой VISA, MasterCard или МИР – в офисе
- по Системе Быстрых Платежей (СБП) – на указанную Вами электронную почту и/или на Whats App придет ссылка для перехода на страницу нашего банка (АО «Альфа-банк») для последующей оплаты заказа через СБП
- перечислением на расчетный счет – на указанную Вами электронную почту будет выставлен счет на оплату (УСН, НДС не выделяется)
Самовывоз товара производится по адресу г. Москва, г. Московский, ул. Радужная, д. 21 (Киевское ш., 7 км. от МКАД), с понедельника по пятницу с 9:00 до 18:00.
Перед приездом необходимо уточнять готовность заказа к отгрузке.
Доставка товара по Москве и Московской области осуществляется в срок до 5 рабочих дней после оформления заказа на сайте и согласования деталей с менеджером, при условии наличия товара на складе. Точные дата и время доставки (интервал не менее 5 часов) уточняется в соответствии с пожеланиями покупателя. Минимальная сумма заказа для доставки курьером по Москве и Московской области составляет 5 000 руб.
Стоимость доставки по Москве и Московской области (при наличии товара на московском складе):
- В пределах МКАД стоимость доставки составляет 1 000 руб.
- На насcтояние до 30 км. от МКАД стоимость доставки составляет 2 000 руб.
- На расстояние более чем 30 км. от МКАД стоимость доставки составляет 3 000 руб.
Доставка товара производится до подъезда или входа на участок покупателя. Подъем на этаж оговаривается и оплачивается отдельно.
Стоимость доставки крупногабаритного товара и товаров, которые изготавливаются индивидуально под заказ оговаривается отдельно.
Доставка товара в регионы осуществляется при помощи транспортной компании на выбор покупателя:
Либо при помощи другой транспортной компании по желанию покупателя, но при условии, что терминал данной компании находится в пределах МКАД.
Стоимость доставки товара до терминала транспортной компании в г. Москве в пределах МКАД и составляет 700 руб. Плательщиком за услуги транспортной компании (межтерминальная перевозка, дополнительная упаковка, страхование груза, доставка по городу и др.) является покупатель. По умолчанию все грузы отправляются в жесткой упаковке.
