Теплообменник 42 кВт Max Dapra D-HWT 35 (100126) представляет собой цилиндр, внутри которого расположены трубки. Корпус теплообменника 42 кВт Max Dapra D-HWT 35 (100126) устроен таким образом, что через него проходят два контура потока воды. Первичный контур — это горячая жидкость от теплоносителя, которая проходит через трубки внутри теплообменника. Вторичный контур — это вода из бассейна, предварительно очищенная фильтровальной установкой. Вода вторичного контура (из бассейна) проходит через теплообменник 42 кВт Max Dapra D-HWT 35 (100126) омывая трубки, при этом два контура не смешиваются, а происходите передача тепловой энергии. В результате этого вода в бассейне постепенно нагревается до необходимой температуры.
Выбор теплообменника зависит от многих факторов, таких как объем бассейна, расположение (на улице или в помещении), наличие утепления чаши бассейна, желаемая температура и др. Точной формулы не существует. Практика показывает, что для уличного бассейна частного типа рекомендуется мощность теплообменника равная объему воды в бассейне (1 кВт на 1 м. куб. воды бассейна). Для бассейна в помещении при нормальных условиях можно использовать теплообменник из расчета 1 кВт на 2 м. куб. воды бассейна.
Для автономизации работы системы подогрева воды бассейна, а также ее синхронизации с фильтровальной установкой необходимо использовать дополнительные элементы, такие как термостат, циркуляционный насос и электромагнитный клапан.
При помощи термостата устанавливается необходимая температура воды в бассейне. При достижении заданной температуры отсекается подача жидкости к теплообменнику 42 кВт Max Dapra D-HWT 35 (100126) и тем самым подогрев перестает работать. При понижении температуры ниже заданной опять начинается подача жидкости от теплоносителя к теплообменнику 42 кВт Max Dapra D-HWT 35 (100126) и подогрев начинает работать снова.
Кроме этого, теплообменник 42 кВт Max Dapra D-HWT 35 (100126) синхронизируется с работой фильтровальной установки, т.е. когда перестает работать фильтрация бассейна, подогрев так же отключается. В противном случае возможно повреждение теплообменника 42 кВт Max Dapra D-HWT 35 (100126) в результате его перегрева.
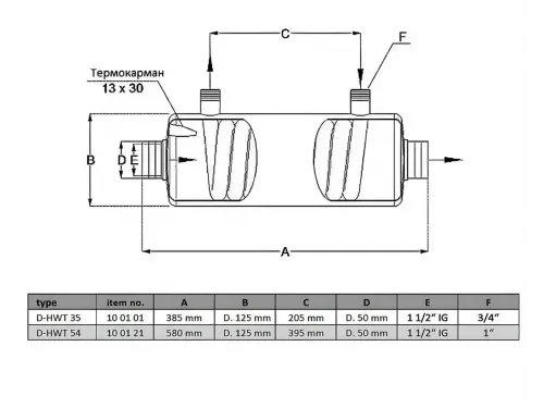
Основные характеристики
Пока нет вопросов об этом товаре. Станьте первым!
Заявка на поставку товара осуществляется путем оформления заказа на сайте (нажать кнопку «в корзину» или «быстрый заказ», перейти в корзину покупок и оформить заказ), либо отправив заявку на нашу электронную почту info@poolbox.ru
Передача товара в транспортную компанию производится только после оплаты 100% стоимости товара. При доставке товара курьером по Москве и Московской области, если стоимость заказа составляет более 50 000 руб., требуется предоплата (наличными в офисе, банковской картой (интернет-эквайринг) или перечислением на расчетный счет) в размере не менее 30% от общей стоимости заказа. Условия и порядок возврата (обмена) товара регламентируется в соответствии с законом «О защите прав потребителей» ст. 18-24, 26.1. Покупатель вправе отказаться от товара в любое время до его передачи, а после передачи товара – в течение семи дней. (ст. 26.1 п.4) Возврат товара надлежащего качества возможен, если сохранен его товарный вид, потребительские свойства. Возврат товара ненадлежащего качества осуществляется в соответствии с законом ст.18-24. (ст.26.1 п.5)
Оплата осуществляется одним из следующих способов:
- наличными средствами – в офисе или при доставке товара курьером по Москве и Московской области
- картой VISA, MasterCard или МИР – в офисе
- по Системе Быстрых Платежей (СБП) – на указанную Вами электронную почту и/или на Whats App придет ссылка для перехода на страницу нашего банка (АО «Альфа-банк») для последующей оплаты заказа через СБП
- перечислением на расчетный счет – на указанную Вами электронную почту будет выставлен счет на оплату (УСН, НДС не выделяется)
Самовывоз товара производится по адресу г. Москва, г. Московский, ул. Радужная, д. 21 (Киевское ш., 7 км. от МКАД), с понедельника по пятницу с 9:00 до 17:00.
Перед приездом необходимо уточнять готовность заказа к отгрузке.
Доставка товара по Москве и Московской области осуществляется в срок до 5 рабочих дней после оформления заказа на сайте и согласования деталей с менеджером, при условии наличия товара на складе. Точные дата и время доставки (интервал не менее 5 часов) уточняется в соответствии с пожеланиями покупателя. Минимальная сумма заказа для доставки курьером по Москве и Московской области составляет 5 000 руб.
Стоимость доставки по Москве и Московской области (при наличии товара на московском складе):
- В пределах МКАД стоимость доставки составляет 1 000 руб.
- На насcтояние до 30 км. от МКАД стоимость доставки составляет 2 000 руб.
- На расстояние более чем 30 км. от МКАД стоимость доставки составляет 3 000 руб.
Доставка товара производится до подъезда или входа на участок покупателя. Подъем на этаж оговаривается и оплачивается отдельно.
Стоимость доставки крупногабаритного товара и товаров, которые изготавливаются индивидуально под заказ оговаривается отдельно.
Доставка товара в регионы осуществляется при помощи транспортной компании на выбор покупателя:
Либо при помощи другой транспортной компании по желанию покупателя, но при условии, что терминал данной компании находится в пределах МКАД.
Стоимость доставки товара до терминала транспортной компании в г. Москве в пределах МКАД и составляет 700 руб. Плательщиком за услуги транспортной компании (межтерминальная перевозка, дополнительная упаковка, страхование груза, доставка по городу и др.) является покупатель. По умолчанию все грузы отправляются в жесткой упаковке.
