Противоток AquaViva AV-JET-5.5ST Kit (380В, 68м3/час, 5.5HP)
- 691 р.
-
Краткие характеристики
.jpg)
.jpg)
.jpg)
.jpg)
.jpg)
.jpg)
.jpg)
.jpg)
.jpg)
.jpg)
.jpg)
Противоток AquaViva AV-JET-5.5ST Kit (380В, 68м3/час, 5.5HP)
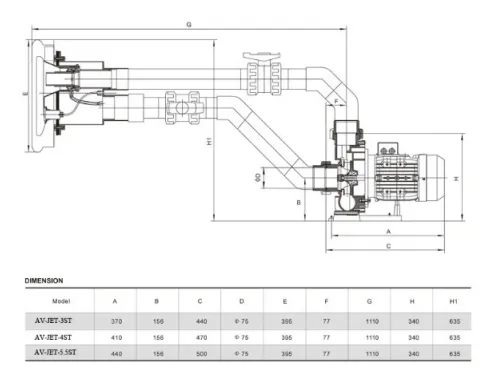
Противоток AquaViva AV-JET-5.5ST Kit представляет собой устройство, при помощи которого есть возможность даже в сравнительно не большом бассейна продолжительно и эффективно плавать. Состоит противоток AquaViva AV-JET-5.5ST Kit из нескольких частей, а именно: закладная часть, насос противотока и электропакет. Закладная часть противотока AquaViva AV-JET-5.5ST Kit изготовлена из пластика и непосредственно устанавливается в борт бассейна. Состоит закладная часть противотока AquaViva AV-JET-5.5ST Kit из одной форсунки, пневматической клавиши для включения и выключения, а так же регулятора доступа. При помощи регулятора доступа воздуха есть возможность выбирать режим работы противотока с воздухом или без воздуха. Часто противоток AquaViva AV-JET-5.5ST Kit используется как устройство гидромассажа. В техническом помещении, либо с обратной стороны борта бассейна (для уменьшения потерь мощности) устанавливается насос противотока. Управление работой противотока производится при помощи электропакета от которого прокладывается капиллярная трубка до пневмокнопки, расположенной непосредственно в корпусе противоток.
Основные характеристики и особенности противотока AquaViva AV-JET-5.5ST Kit :
- Производительность: 68 м³/час
- Мощность: 4.7 кВт
- Непрерывная работа
- Питание: 380В
- Мотор: асинхронный, два полюса:
- Изоляция класса F
- Вал двигателя из нержавеющей стали AISI-304
- Защита: IP55
- Подсветка лицевой панели: нет
- Рабочее колесо в PPO
- Корпус двигателя из алюминия L-2521
Комплектация противотока AquaViva AV-JET-3ST Kit:
- Закладная и лицевая часть
- Насос AV-JET-3ST
- Блок контроллер на 380В электропневматический
- Пульсирующий массажный шланг
- Воздуховод
- Кран шаровый: 2шт
- Руководство
- Переключатель управления
Основные характеристики
Заявка на поставку товара осуществляется путем оформления заказа на сайте (нажать кнопку «в корзину» или «быстрый заказ», перейти в корзину покупок и оформить заказ), либо отправив заявку на нашу электронную почту info@poolbox.ru
Передача товара в транспортную компанию производится только после оплаты 100% стоимости товара. При доставке товара курьером по Москве и Московской области, если стоимость заказа составляет более 50 000 руб., требуется предоплата (наличными в офисе, банковской картой (интернет-эквайринг) или перечислением на расчетный счет) в размере не менее 30% от общей стоимости заказа. Условия и порядок возврата (обмена) товара регламентируется в соответствии с законом «О защите прав потребителей» ст. 18-24, 26.1. Покупатель вправе отказаться от товара в любое время до его передачи, а после передачи товара – в течение семи дней. (ст. 26.1 п.4) Возврат товара надлежащего качества возможен, если сохранен его товарный вид, потребительские свойства. Возврат товара ненадлежащего качества осуществляется в соответствии с законом ст.18-24. (ст.26.1 п.5)
Оплата осуществляется одним из следующих способов:
- наличными средствами – в офисе или при доставке товара курьером по Москве и Московской области
- картой VISA, MasterCard или МИР – в офисе
- по Системе Быстрых Платежей (СБП) – на указанную Вами электронную почту и/или на Whats App придет ссылка для перехода на страницу нашего банка (АО «Альфа-банк») для последующей оплаты заказа через СБП
- перечислением на расчетный счет – на указанную Вами электронную почту будет выставлен счет на оплату (УСН, НДС не выделяется)
Самовывоз товара производится по адресу г. Москва, г. Московский, ул. Радужная, д. 21 (Киевское ш., 7 км. от МКАД), с понедельника по пятницу с 9:00 до 18:00.
Перед приездом необходимо уточнять готовность заказа к отгрузке.
Доставка товара по Москве и Московской области осуществляется в срок до 5 рабочих дней после оформления заказа на сайте и согласования деталей с менеджером, при условии наличия товара на складе. Точные дата и время доставки (интервал не менее 5 часов) уточняется в соответствии с пожеланиями покупателя. Минимальная сумма заказа для доставки курьером по Москве и Московской области составляет 5 000 руб.
Стоимость доставки по Москве и Московской области (при наличии товара на московском складе):
- В пределах МКАД стоимость доставки составляет 1 000 руб.
- На насcтояние до 30 км. от МКАД стоимость доставки составляет 2 000 руб.
- На расстояние более чем 30 км. от МКАД стоимость доставки составляет 3 000 руб.
Доставка товара производится до подъезда или входа на участок покупателя. Подъем на этаж оговаривается и оплачивается отдельно.
Стоимость доставки крупногабаритного товара и товаров, которые изготавливаются индивидуально под заказ оговаривается отдельно.
Доставка товара в регионы осуществляется при помощи транспортной компании на выбор покупателя:
Либо при помощи другой транспортной компании по желанию покупателя, но при условии, что терминал данной компании находится в пределах МКАД.
Стоимость доставки товара до терминала транспортной компании в г. Москве в пределах МКАД и составляет 700 руб. Плательщиком за услуги транспортной компании (межтерминальная перевозка, дополнительная упаковка, страхование груза, доставка по городу и др.) является покупатель. По умолчанию все грузы отправляются в жесткой упаковке.
